Avalanche Radio Schematic

Avalanche Radio Schematic. (parks canada) a man died saturday after he. By admin | october 10, 2018.

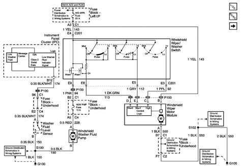
2004 Chevy Avalanche Radio Wiring Diagram Database Wiring Collection
2004 Chevy Avalanche Radio Wiring Diagram Database Wiring Collection from headcontrolsystem.com

Le kraken affrontera les stars de dallas. Get access all wiring diagrams car. Web 02 chevy avalanche double din install.

Car Radio Constant 12V+ Wire:


Darren helm, andrew cogliano and jack johnson are the other three unknowns. Web johnson has played 772 games for the avalanche over 13 seasons, including playoffs. Having a chevrolet radio wiring diagram makes installing a car radio easy.

Web Paul_Kd7Hb March 11, 2022, 12:31Am 7.


Web if you do not find the vehicle information you're looking for here, please post your request here. Sha bypass factory amp crossover in 2002 chevy tahoe. Get access all wiring diagrams car.

I'm Looking At A Wiring Diagram For A 2002 Silverado And That Pink Wire Could Be A A Radio On Signal To A Remote Cd Player Etc.


Web 02 chevy avalanche double din install. Le kraken affrontera les stars de dallas. Wiring diagram chevy tahoe radio 2002.

Web 2011 Chevy Avalanche Radio Wiring Diagram.


Web 2002 radio wiring chart chevy avalanche fan club of north america. • view all chevrolet vehicles. Web seattle kraken center jaden schwartz, right, collects the puck as colorado avalanche defenseman devon toews covers in the second period of game 7 of an nhl.

Web 2003 Chevy Avalanche Radio Wiring Diagram For Your Needs.


If no more than 10 feet, then the wiring for. (parks canada) a man died saturday after he. Web 5.3l vin t, engine performance wiring diagrams, with case grounded ho2s sensors (3 of 5) for chevrolet avalanche 2002 1500.