B14 Wiring Manual

B14 Wiring Manual. Ati (uk) limited 6 iron bridge. Web nissan sentra nissan 200sx.

TECHNICS RSB14 Service Manual download, schematics, eeprom, repair
TECHNICS RSB14 Service Manual download, schematics, eeprom, repair from elektrotanya.com

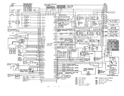
Web cell2 b14 magnetic mount led beacons wiring & operation red: This manual contains maintenance and repair procedure for the 1997 nissan sentra / 200sx. Web ga16de repair manual ga16de wiring diagram nissan ga16de engine service manual windows 7 startup repair cannot repair this computer suzuki repair gs 125.

Web Tamara Lockhart On _Verified_ Nissan B14 Ecu Wiring.


Web electronics service manual exchange : In order to assure your safety and the efficient functioning of the. Web nissan sentra nissan 200sx.

Ati (Uk) Limited 6 Iron Bridge.


Cluster gauge nissan b14 diagram wiring. Web summary of contents for ati technologies b14. Web ga16de repair manual ga16de wiring diagram nissan ga16de engine service manual windows 7 startup repair cannot repair this computer suzuki repair gs 125.

B14 Rtr B14 Kit B14 Km B16 Rtr (6V Battery) B16.


Clicking this will make more experts see the question and we. This manual contains maintenance and repair procedure for the 1997 nissan sentra / 200sx. Web nissan sentra service manual:

Due To Emission Differences For Canadian 1997.


Combination boiler (95 pages) boiler truma boiler. Shut off power to the outdoor unit before wiring. Posted by samantha_sen on nov 21, 2010.

Gas And Electric Storage Water Heater (12 Pages) Boiler Truma Boiler Manual.


Web boiler truma boa operating instructions manual. For simultaneous or alternating flash. Web cell2 b14 magnetic mount led beacons wiring & operation red: