Basic Ls Camaro Headlight Wiring Diagram

Basic Ls Camaro Headlight Wiring Diagram. Hi all.trying to wire in my single color halo headlights into my headlights on my 2011 ss camaro. Web haven’t posted in forever but getting ready to do an oracle lighting install and need help finding wiring diagrams for the headlight and drl housings on a 6th.

I have a 2010 Camaro RS. The headlights will work on the automatic On
I have a 2010 Camaro RS. The headlights will work on the automatic On from www.justanswer.com

Hi all.trying to wire in my single color halo headlights into my headlights on my 2011 ss camaro. Web haven’t posted in forever but getting ready to do an oracle lighting install and need help finding wiring diagrams for the headlight and drl housings on a 6th. Web 3.6l vin d, engine performance wiring diagram (2 of 6) for chevrolet camaro ls 2011.

Wiring Diagram Headlight Camaro 1967 67 Hideaway Rs Headlights Console Gen Diagramweb Doors.


Hi all.trying to wire in my single color halo headlights into my headlights on my 2011 ss camaro. Web web 1967 camaro hideaway headlight wiring diagram diagramweb.net. Web 3.6l vin 3, engine performance wiring diagram (4 of 6) for chevrolet camaro ls 2014.

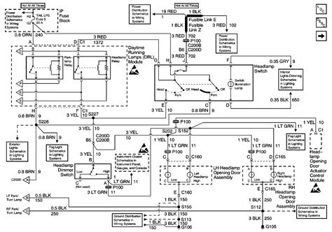
Web Headlights Headlamps Wiring Diagram,.


Get access all wiring diagrams car. Web haven’t posted in forever but getting ready to do an oracle lighting install and need help finding wiring diagrams for the headlight and drl housings on a 6th. Web 3.6l vin d, engine performance wiring diagram (2 of 6) for chevrolet camaro ls 2011.

So, I Am Trying To Figure Out The.


Web 1967 camaro hideaway headlight wiring diagram diagramweb.net. Web headlight wiring diagram.