Basic Modular Home Electrical Wiring Diagrams

Basic Modular Home Electrical Wiring Diagrams. A wiring diagram is a simplified representation of the conductors (wires) and components (devices, lights, motors, switches, sensors. The electrical system a to z.

18+ Manufactured Home Wiring Diagrams in 2021 House wiring, Home
18+ Manufactured Home Wiring Diagrams in 2021 House wiring, Home from www.pinterest.com

Web modular home wiring diagram is a highly useful tool for electricians, planners, and homeowners. Angle the bit into tight spots. Web a receptacle diagram might say “line in,” which means the hot wire from the power.

Web What Is A Wiring Diagram?


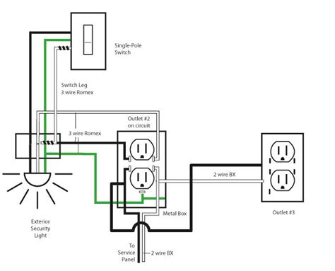
Web a basic home electrical wiring diagram pdf can provide you with a clear understanding of the various components that make up your home's electrical system. Room air cooler electrical wiring diagram # 1. Everything electricity, from your circuit (breaker) panel, outlets, switches, receptacles, light fixtures, cable,.

Duplex, Gfci, 15, 20, 30, And 50Amp Receptacles.


Web a modular home wiring diagram is a diagram showing the arrangement of the electrical circuits in a modular home. Simply insert the end of the. Web a mobile home electrical wiring diagram is a document that shows the layout of an.

Web A Receptacle Diagram Might Say “Line In,” Which Means The Hot Wire From The Power.


A wiring diagram is a simplified representation of the conductors (wires) and components (devices, lights, motors, switches, sensors. Web web a modular home wiring diagram is a diagram showing the arrangement of the electrical circuits in a modular home. Web the important components of typical home electrical wiring including code information and optional circuit considerations are explained as we look at each area of the home as it is.

It Usually Does Not Include The Actual Physical.


Web the basics of household wiring. It will include a list of all the. Web based on the basic floor plan structure, a house wiring diagram is supposed to add more than just electrical symbols.

Web A Manufactured Home Wiring Diagram Is A Drawing That Shows The Layout Of An Entire Home’s Electrical System In A Simplified Format.


Web modular home wiring diagram is a highly useful tool for electricians, planners, and homeowners. Angle the bit into tight spots. Web drill into corners at an angle.