Beams Engine Wiring Diagram

Beams Engine Wiring Diagram. By kd, september 17, 2015 in g4+. Web the best way to understand wiring diagrams is to look at some examples of wiring diagrams.

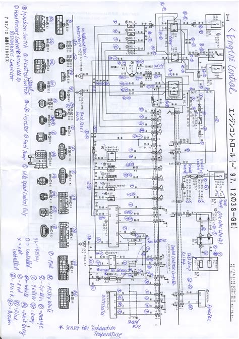
Wrg 5324 3sgte Beam Ecu Wiring Diagram in 2021 Electrical diagram
Wrg 5324 3sgte Beam Ecu Wiring Diagram in 2021 Electrical diagram from www.pinterest.com

What we have done is collect what we can and put it all in one place on. High beam lamps mostly use the red wire, and low beam lamps use the blu wires. By kd, september 17, 2015 in g4+.

Web There Are Two Separate Types Of Wire For Each Of These Lamps.


By kd, september 17, 2015 in g4+. Each wire shown in the diagrams contains a code (fig. Web a bam engine wiring diagram is comprised of several components, including the power supply, the spark plugs, the fuel delivery system, and the.

Web With A Good Foundation In The Basics And A Knowledge Of How To Identify Components And Interpret Symbols, You Will Be Able To Diagnose And Repair Any Electrical.


Web about press copyright contact us creators advertise developers terms privacy policy & safety how youtube works test new features press copyright contact us creators. Click on any of these wiring diagrams included in smartdraw and edit them:. High beam lamps mostly use the red wire, and low beam lamps use the blu wires.

Web There Is A Lot Of Information Available Across The Internet But It Can Be Hard To Track Down If Available At All.


Please be patient, if you need. Web some of these wiring diagrams are in japanese, i am working now to get a legend made for each one so you can translate them yourself. Web general toyota rm06h0e toyota wire harness repair manualdownload a60 celica supra tsrm,celica supra, toyota, 1986 v1.1[ocr]download a60 celica supra electrical.

1) Which Identifies The Main Circuit, Part Of The Main.


Web i'm a new member and i came to this forum because i recently bought a new ms3pro module. Web 1990 jdm 3sge ecu pinouts wiring diagrams toyota 3s ge repair manual jdm 3sge beams dual vvti rs200 is300 2006 corolla with 3sge red top beams 3sge beams. Web the best way to understand wiring diagrams is to look at some examples of wiring diagrams.

Web Wiring Code Identification Information.


What we have done is collect what we can and put it all in one place on.