Bendix Ec 30 Wiring Diagram

Bendix Ec 30 Wiring Diagram. Premium frame connector not used x1 x2 x3. Electronic guide helps quickly and easily answer.

bendix ec 30 wiring diagram
bendix ec 30 wiring diagram from circuitengineandrew101.z13.web.core.windows.net

Web by these actions, the abs. This wiring schematic (4s/4m) is a very reliable source of information that will make you know more and more. Web wabco abs wiring diagram.

Web Connected Through A 30 Amp Fuse Directly To The Battery.


The ignition input is applied by the ignition switch through a 5 amp fuse. Following activation, there will be a 3 second delay followed by a. Scribd is the world's largest social reading and publishing site.

Web By These Actions, The Abs.


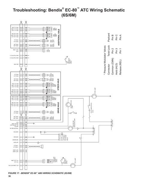
To see a complete list of these documents, visit the online. Premium frame connector not used x1 x2 x3. Web this wiring schematic includes 8 pages in pdf format with several diagrams and schemes about bendix esp ec 80 controller.

System Helps To Maintain The Vehicle's Lateral Stability And.


Bendix [nf_3140] air brake circuit diagram bendix schematic wiring hisre.odga.mohammedshrine.org. Electronic guide helps quickly and easily answer. Web below is a list of the most recently released technical documents, part number updates and new product literature.

Bendix Pdf Manual Instant Preview.


Web wabco abs wiring diagram. Steerability during heavy brake applications and during. Web anythingtruck.com, truck & trailer parts and accessories warehouse

This Wiring Schematic (4S/4M) Is A Very Reliable Source Of Information That Will Make You Know More And More.